Сервис подбора автотехники
Ваш регион: Все города

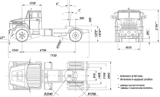
КРАЗ 5444

КРАЗ-5444 КРАЗ-5444

Характеристики

Весовые характеристики
Масса снаряженного автомобиля, кг 8000
- через шины переднего моста, кг 4700
- через шины заднего моста, кг 3300
Допустимая полная масса, кг 17500
- на переднюю ось, кг 6000
- на заднюю ось, кг 11500
Допустимая нагрузка на седельно-прицепное устройство, кг 9300
Допустимая полная масса буксируемого полуприцепа, кг 28000
Допустимая полная масса автопоезда, кг 36000
Технические характеристики
Двигатель ЯМЗ-238Д
(ЯМЗ-238ДE2) 
дизель с турбонаддувом
Число и размещение цилиндров V-8
Диаметр / ход, мм 130/140
Рабочий объем, л 14,86
Мощность нетто по DIN-70020 при 2000, кВт /л.с. 212 /288 (234/125)
Максимальный крутящий момент нетто по DIN-70020 при 1200-1400 мин-1 НМ /кгс.м. 1140 /116 (1185/121)
Сцепление двухдисковое, сухое
Коробка передач двухдиапазонная, восьмиступенчатая
Передаточные числа коробки передач 7,73; 5,52; 3,94; 2,80; 1,96; 1,39; 1,00; 0,71
Задний ход 11,79; 2,99
Главная передача задний мост проходного типа
Передаточное число главной передачи 5,649
Передняя подвеска зависимая, на двух полуэллиптических рессорах, работающих совместно с двумя гидравлическими амортизаторами
Задняя подвеска зависимая, балансирная на двух полуэллиптических рессорах
Рулевой механизм механический, с гидроусилителем
Рабочие тормоза тормозные механизмы колесные барабанного типа, с внутренними колодками
Стояночные тормоза используются тормозные механизмы колес; привод пневматический с использованием энергоаккумуляторов
Вспомогательные тормоза дроссельного типа, привод пневматический, установлен в системе выпуска газа
Размер обода 216В-508 (8,5В-20)
Шины 12.00R20(320R-508) 11.00R20(300R-508)
Топливный бак, л 1х250
Напряжение бортовой сети, В 24
Седельно прицепное устройство ССУ50-20 полуавтомат., с двумя захватами 50,8 мм
Максимальная скорость, км/ч 95
Максимальный преодолеваемый подъем, % 18
Расход топлива, л/100 км 44,0
Радиус поворота, м 10,5

 

Автомобиль - тягач седельный КРАЗ-5444 предназначен для буксировки полуприцепов полной массой 28 тонн по дорогам общей сети, с допускаемой нагрузкой на ведущий мост 100 кН (10000 кгс), а так же по дорогам, допускающим нагрузку на ведущий мост 115 кН (11500 кгс)
Вид климатического исполнения по ГОСТ-15150 - «У»

Автомобиль комплектуется ЗИП. По требованию заказчика автомобиль может комплектоваться предпусковым подогревателем и кабиной со спальным местом. 

Запчасти на КРАЗ 5444

Купить или продать запасные части на КРАЗ 5444 вы можете на проекте www.fast-price.ru.
Сервис представляет собой маркетплейс (интернет-площадку) по поиску автозапчастей и сравнению цен на них. На сайте представлены как оригинальные запчасти от официальных производителей, так и их качественные аналоги, которые зарекомендовали себя на рынке автозапчастей с наилучшей стороны. На сайте можно подобрать запчасть по необходимым критериям и параметрам с помощью удобной фильтрации и автокаталогов.

О проекте Реклама на сайте Контакты Отзывы и предложения
Разработка сайта — Неткам

Вход на сайт

Эл.почта:
Пароль:

Выбор региона/города« назад к выбору региона